คำอธิบาย
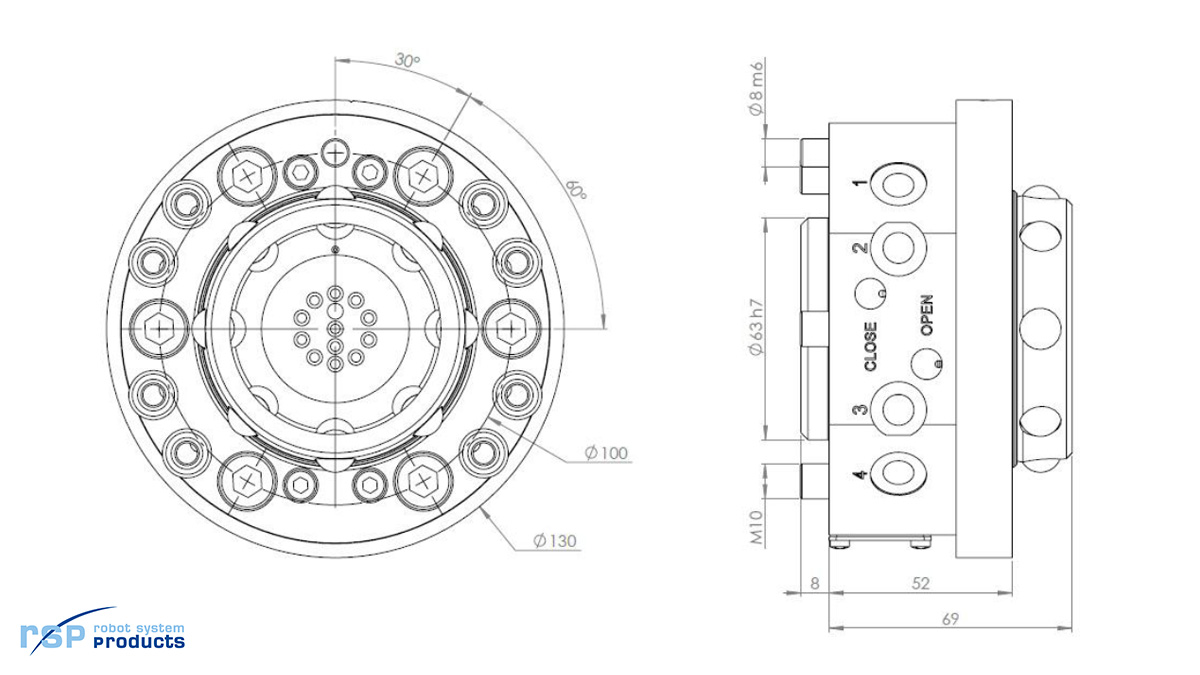
Tool changing ability for Tool changer TC100-8
The RSP tool changers are designed to maximize the flexibility and reliability of your robot fleet. They offer the possibility to enhance your robot application by allowing it to switch between different tools, such as grippers, weld units, fixtures etc. Tool changers from RSP are robust and can manage continuous changing operations with maintained reliability and safety. Depending on model and options, electrical signals, weld and servo power, data, water, and compressed air can be transferred from the robot side to the tool.














