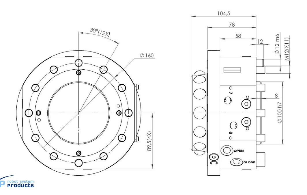
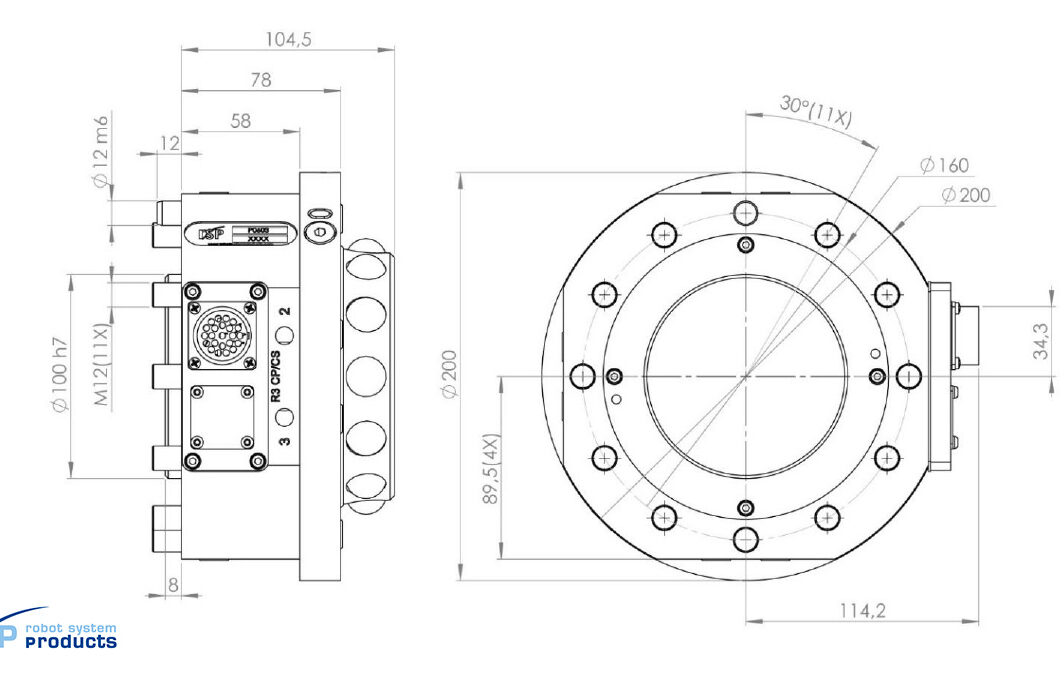
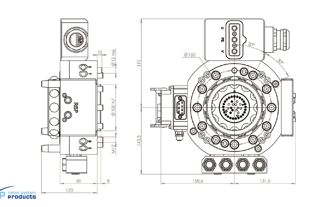
Tool Changers
A Tool changer gives your robot the possibilities of quick changes between different tools. Locked with our patented locking mechanism TrueConnect™, our Tool changers have a locking cycle as short as 0.3 seconds. They are customizable and can be used to transfer electric signals, data, water, compressed air, weld and servo power. Reliable, secure and precise – our tool changers improve robot flexibility.
Showing all 10 results




























