คำอธิบาย
Tool changing ability
The RSP tool changers are designed to maximize the flexibility and reliability of your robot fleet. They offer the possibility to enhance your robot application by allowing it to switch between different tools, such as grippers, weld units, fixtures etc. Tool changers from RSP are robust and can manage continuous changing operations with maintained reliability and safety. Depending on model and options, electrical signals, weld and servo power, data, water, and compressed air can be transferred from the robot side to the tool.

All our tool changers feature the patented locking device, TrueConnect™. It reduces play to the minimum and enables absolute alignment repeatability throughout its lifespan. With its unique design, it does not require exact alignment before docking with different tools.
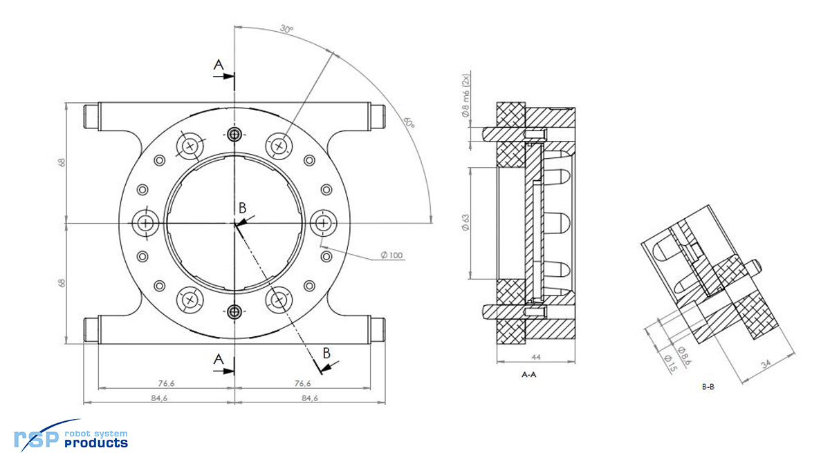
| Mechanical interface | ISO 9409-1-100-6-M10 |
|---|---|
| Robot payload | 100 kg | 220 lb |
| Fz | ± 1000 N | ± 220 lb |
| Mz | ± 1000 Nm | ± 8800 lbf·in |
| Mx/My | ± 1000 Nm | ± 8800 lbf·in |
| Weight | 2.2 kg | 4.85 lb |
| Height | 27 mm | 1.06 in |
| Air channels available to tool | 8 |
| Air connection, outlet | G 1/8″ (8x) |
| Air flow per channel | 800 l/min | 28.28 CFM |
| Max air pressure | 10 bar | 145 psi |
| Air quality | Oil-clean and waterless filtered air, with max 25µm particle content |
| Working temperature | +10°C – +50°C | 50 °F – 120 °F |














